2023-07-06 240
(接线图字母代表什么?接线图,c)
一、电工电路的组成要素
电工电路包括电力传输、变换和分配电路以及电气设备的电源和控制电路,即线路的连接和分配以及电路设备的连接和控制关系,用文字符号、图形符号、电路标记等表示。电路图和电路图是电气系统中各种电气设备、设备和部件的名称、关系和状态的工程语言。它是描述电气系统功能和基本组成的技术文件,是指导各种电气电路安装、调试和维护的基本技术数据。电路图和电路图是电气系统中各种电气设备、设备和部件的名称、关系和状态的工程语言。它是描述电气系统功能和基本组成的技术文件,是指导各种电气电路安装、调试和维护的基本技术数据。下图显示了一个典型的电路。

文字符号是电工中常用的一种字符代码,主要包括字母和数字。它通常标记在电路中的电气设备、设备和元件图形符号附近,以表示其名称、功能、状态或特征。
电路标记是构成电路的线、圆点、虚线等。不同的图形符号由线连接,表示这些图形符号所代表的物理部件之间的连接关系;辅助电路的连接线表示确切的连接关系或范围。
图形符号主要是指代表电子元件、功能元件等物理元件的图形符号,体现在物理元件对应的图形或简图上。
二、如何理解这些元素的组成
了解电工电路,首先要建立图形符号与电气设备或部件的对应关系和文本标识的含义,了解电路所表达的功能、连接关系和工作流程。
文字符号是电路中常用的字符代码,通常标记在电路中的电气设备、设备和部件附近,以识别其名称、功能、状态或特征。电路中常见的文字符号一般可分为基本文字符号、辅助文字符号、 字母 数字代码组合符号和特殊文本符号。文字符号可以用单个字母代码或数字代码表示,也可以用字母和数字组合表示。
1.电工电路中的基本文本标志
基本文字符号用于识别电气设备、设备、部件和线路的类型、名称和特性,如图所示,电气线路中的基本文字符号和基本文字符号。

基本文字符号一般分为单字母符号和双字母符号。其中,单字母符号按拉丁字母将各种电气设备、装置和元件分为23类,每类用大写字母表示。如“R";表示电阻类,"S”表示开关选择器类,在电气电路中,单字母优先选用。
双字母符号由一个表示类型的单字母符号和另一个字母组成。通常以单字母符号在前面,另一个字母在后面的组合形式表示。如"F表示保护器件类,FU表示熔断器;G表示电源类,GB表示电池(B电池的英文名称battery首字母);T表示变压器类,TA表示电流互感器("A英文名称电流表ammter 首字母)。
2.电工电路中的辅助文本标志
在电工电路中电气设备、装置和元件的种类名称用基本文字符号表示,而它们的功能、状态和特征则用辅助文字符号表示。

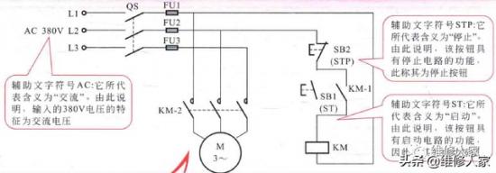
辅助文本符号通常由表示功能、状态和特征的英语单词的前一个或两个字母组成,或通常的缩略语或通常的习惯用法,通常不超过三个字母。如“IN表示输入,ON表示闭合,STE表示步进,表示启动采用启动START前两个字母ST并表示停止(STOP)”的辅助文字符号必须再加一个字母,为 “STP" 。
辅助文字符号也可以放在表示类型的单字母符号后面组合成双字母符号。此时,辅助文字符号通常使用表示功能、状态和特征的英语单词的第一个字母。如“ST表示启动,YB表示电磁制动器等。
一些辅助文字符号本身具有独立、准确的意义,也可以单独使用。如中性线表示交流电源, “DC表示直流电,AC表示交流电,PE表示接地保护等。

3.电工电路中的组合文本标志
字母 数字代码是目前最常用的文字符号,其中字母表示各种电气设备、设备和组件的类型或功能(基本文字符号),数字表示相应的编号(序列号)。
字母如下图所示 由数字代码组成的文字符号标识;

将数字代码与字母符号结合起来,可以说明同类电气设备和元件的不同编号。如果电路中有三种相同类型的继电器,则其文字符号分别标记为KA1、KA2、KA3另一方面,在电路中,相同字母标记的设备是相同类型的设备,字母的最大值表示线路中设备的总数。
例如图中的字母FU作为文字标识的器件有三个FU1、FU2、FU3分别表示线路中的第一个保险丝、第二个保险丝和第三个保险丝,线路中有三个保险丝;另一个例子,在图中KM-1、KM-2中的基本文字符号均为KM,说明这两个器件和KM属于同一个装置,它们是KM两部分,即接触器KM中间的两个触点。
在电工电路图中,有时为了清楚地表示接线端子和特定电线的类型、颜色或用途,通常也表示特殊的文本符号。
在电工电路图中,有时为了清楚地表示接线端子和特定电线的类型、颜色或用途,通常也表示特殊的文本符号。
① 特殊用途的接线端子和导线的特殊文字符号。在电工电路图中,一些特殊用途的接线端子和导线通常用一些特殊的文字符号来标记。
② 表示颜色的文字符号。由于大多数电工电路图和其他技术数据都是黑白的,许多导线的颜色无法区分 因此,在电工电路图上,通常用字母代码来表示导线的颜色,以区分导线的功能。
除了上述基本的文字符号外,近年来生产的大多数电气仪表也被用于国际标准 数量的英语句子或单词,甚至缩写作为文本符号来表示仪器的类型、功能、范围和性能。
4.电工电路中的图形符号看电工电路图时,包含的不同部件、装置、线路和安装连接不是这些物理部件的实际形状,而是反映了每个物理部件对应的图案或简图。这种图案和简图通常被称为图形符号。
图形符号是构成电工电路图的基本单元,就像文章中的词汇一样。因此,在学习阅读电路图之前,首先要正确理解、熟悉和识别这些符号的形式、内容、含义以及它们之间的关系。
电工电路图中常见的图形符号通常是一种组合形式,通常由限定符号和基本图形符号或符号元素与基本图形符号、两个或两个以上的基本图形符号组成。
限定符号是添加到其他图形符号上的符号,用于提供额外的信息,一般不能单独使用,必须与其他符号结合使用,形成完整的图形符号。这样,相同的基本图形符号和不同的限定符号组合可以构成不同含义的标识装置。如图所示,在电阻器的基本图形符号上,分别加上不同的限定符号,则可以得到可变电阻器、热敏电阻器、光敏电阻器等多种图形符号。常见的电工电路 类型限定符号如表所列;
符号元素是指具有一定意义的简单图形,通常表示元件的轮廓或外壳,必须与其他图形符号结合使用。电路中常见的符号元素如下表所列;
如下图所示,电路中常用的常开按钮和时间继电器的图形符号都是由基本的图形符号组成的。基本图形符号是指用示该产品或其特征的简单符号,一般可直接作为图形符号使用, 也可与限定符号组合使用。电路中常见的基本图形符号如下表所列;
此外,一些图形符号由符号元素组成 基本图形符号 因此,只要掌握了基本符号元素、一般符号和限定符号的相关含义或功能,就基本掌握了图形符号的基本含义。 原文链接:https://www.000nw.com/273.html
=========================================
https://www.000nw.com/ 为 “电脑技术吧” 唯一官方服务平台,请勿相信其他任何渠道。
系统教程 2023-07-23
电脑技术 2023-07-23
应用技巧 2023-07-23
系统教程 2023-07-23
系统教程 2023-07-23
系统教程 2023-07-23
应用技巧 2023-07-23
系统教程 2023-07-23
应用技巧 2023-07-23
电脑技术 2023-07-23
扫码二维码
获取最新动态
